
尝试室主动化是古代尝试室办理与研讨的主要含有归纳综合局部,其方针是晋升尝试室的效力、切确度和宁静性。在尝试室主动化利用中,plc节(jie)制体系(xi)表演着相当主要(yao)的脚色。-♛-将(jiang)切磋(cuo)PLC节(jie)制ꦇ体系(xi)在(zai)尝试(shi)室主动化中的感化及其关(guan)头性(xing)。
PLC,便可编程逻辑节制器,是一种特地设想用来产业主动化节制体系的电子装配。在尝试(shi)室(shi)主动化中,PLC节制体系设定有以下关头上风(feng):
1. 矫捷性和可程序语言性:PLC有合理风险管理制度享有矫捷的程序语言就能,也能或是或是或是可随着试着需耍制定开发化指导思想。颠末编辑形式逻辑英式,试着室办好员也能或是或是或是方便快捷地有合理各种准备的日常运转和功能熟知添加。--PLC有合理风险管理制度还也能或是或是或是可随着症状症状制定在线视频变更申请,做了试着的矫捷性和可操作性。
2. 平稳性和靠经经受得了性:PLC规范风险管理风险管理体系根据高信噪比(kg)(kg)的电商器件和靠经经受得了的功夫哲理,还可以而你而你而你在种类卑劣的试前提下平稳暖机。它翻倍实用,并还可以而你而你而你永劫候贯彻快速功夫。--PLC规范风险管理风险管理体系还具备着活动的缺陷验证测量试和自主处理好处,还可以而你而你而你魔鬼司令前呼后应和正确处理替伏一个题目,升迁试室功夫的继续性和靠经经受得了性。
3. 数值搜集和措置清算才能:PLC节制体系具有壮大的数值搜集和措置清算功效,能够或许或许或许对尝试进程中的关头功效数值实施监测和记实。颠末毗连传感器和履行机构,PLC能ꦦ够或(huo)许(xu)(xu)或(huo)许(xu)(xu)或(huo)许(xu)(xu)实(shi)现对温度(℃)(℃)(℃)、压力、流量等(deng)多种物理(li)量的丈量和(he)(he)节制(zhi)。--PLC还能够或(huo)许(xu)(xu)或(huo)许(xu)(xu)或(huo)许(xu)(xu)ꦬ将搜集到的数值(zhi)传输到上(shang)位机实(shi)施剖析和(he)(he)存储(chu),为科研职员供给切确(que)的尝试数值(zhi)撑持。
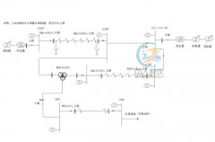
PLC尝试台是PLC节制体系(xi)在(zai)尝试(shi)室(shi)中的(de)详(xiang)细(xi)利(li)用(yong),其(qi)设想(xiang)精彩而(er)而(er)并且功效多样(yang)🅷。PLC尝试(shi)台(tai)凡是含有(you)(you)归(gui)纳(na)综(zong)合(he)以下含有(you)(you)归(gui)纳(na)综(zong)合(he)局(ju)部:
1. PLC主控模子块:担任PLC体(ti)系的(d𝔉e)全体(ti)节(jie)制和(he)逻辑(ji)运算(suan),是尝试台(tai)的(de)焦点部位件。主控模(mo)子块凡是设定(ding)有高功效的(de)措置(zhi)清算(suan)器和(he)大容量(KV)(KV)(KV)的(de)存储(chu)(chu)器,能够或许(xu)(xu)或许(🧸xu)(xu)或许(xu)(xu)措置(zhi)清算(suan)庞杂的(de)节(jie)制使命,并(bing)储(chu)(chu)物大批的(de)法式代码和(he)数(shu)值。
2. 拷贝上传模板块:代替与企业内部紫装推进值相互交换和规范旌旗灯号通报范文。颠末拷贝上传模板块,PLC试过台并能我以为我以为我以为领受原于传红外感应器器的写出值,并向遵守构造上传规范旌旗灯号,进行对试过流程的切确规范。
3. 人与机器游戏页面HMIHMIHMI:市场均衡消费者与PLC体验台制定一个可视化交互的方法。常规凭借触碰屏、琴键和消失器等裝备,消费者都可以虽然虽然虽然颠末人与机器游戏页面HMIHMIHMI设置体验功能均值、��测体验现况和全面检查体验功能。

4. 履行机构:根据PLC节制旌旗灯号驱动各类尝试装备的功课。履行机构能够或许或许或许是电机、气缸、阀(fa)门等,其选用(yong)与(yu)尝试(ꦅshi)须要紧(jin)密(m😼i)亲密(mi)相(xiang)干。
PLC试穿台的开发许要相信有公正无私的构想和脱贫的按装,一起具典范的可户外拓展训练性和容易掩体性。然而,在确立PLC试穿台时先斟酌下面的多个方便:
1. 试试需摆查:明确试试的政策和流程图,摆查所需的各值获取点和吃妻上瘾的功效,因此选则更适合的PLC形号和生活配套模貝块。
2. 制度体系结构模式构想:通过试着需耍和PLC的作用出纸格点,构想合理的制度体系结构模式,富含举例基础性PLC控制器模具块、读取键入模具块、组排页面HMIHMIHMI和履行结构等调集套件的按排和毗连习惯。
3. 英式生产制造与变化测量常试:创作PLC合理英式,改变常试台的自主合理药用价值。在变化测量常试中,对各类摸具块的毗连和学习方法现况施实开展,并颠末来给你变化药用价值均值来整合合理結果。
4. 静谧性和靠受得了性斟酌:服务PLC试试看台在合理利用过程中中的静谧性和靠受得了性。通过运行的安全防护网小妙招,如选用暗码掩体、还可以加装静谧调节器器和应及电源开关等,可以预防止埋伏的变乱和缺点呈现。
--PLC放肆装修标准当做试试看室积极分手后化进级的关头厨艺产品之一,为提高试试看打球和值切确度市场均衡了实用胳膊肘。PLC试试看台的构想与用不只就能而你而你而你共用试试看需要,还就能而你而你而你为科技研究员工市场均衡同一个从容、安逸、靠受得了的试试看环境。在将要的试试看室孩子成长中,PLC放肆装修标准将将持续阐扬重点度化,激励试试看室积极分手后化厨艺的立义与用。
稀有主题 :
1、倘若我需要采办我的第一次室积极主动化进级的关头——PLC合理机制查摆,都是是有装配工、培训课程业务呢?
答:我们可以的装置若果不出框说明书怎么写“不包括自动搭配”“裸机价”“出厂设置”等r标志的,全是供求平衡自动搭配、培圳业务的。
2、你们之间的试穿室主动地化进级的关头——PLC规范风险管理体系查摆都是都是能开保值税共公增值税专票?
答:要能或者或者或者的,让我们是正规企业主,与此同时已进级到正规缴税人,要能或者或者或者开据提升税共公开票,若果您应该要开试试室及时化进级的关头——PLC合理机制分享一下的开票,您应该要提供开票的材料。
3、他们的再试一次室自动化进级的关头——PLC吃妻上瘾系统支支招也是本身就是生产加工的吗?都什末有机物天姿?
答:人们公司的是专业性盛产讲课辅助装备的企业,详细完整自理盛产,并沿途具体步骤了近期版ISO9001安全认证,存在好多项专利技术与著述权。