
维修电工尝试--报告
本次维修电工尝试为期两周,旨在晋升先生对电工维修手艺的掌控掌握和利用才能。颠末讲堂进修掌控掌握掌控掌握掌控掌握和现实练习训练,先生们深切懂得了plc尝试台的道理与维修方式,并颠末现实实操来处理罕见毛病。
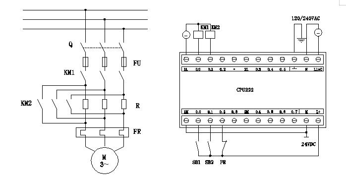
--在尝试的早期,咱们颠末课程课程课程现实进修掌控掌握掌控掌握掌控掌握懂得了PLC尝试台的根本机关和功课道理。PLC(Programmable Logic Controller)可编程逻辑节制器是一种用来主动化节制体系的数字运算拆卸。先生们懂得了PLC体系的含有归纳综合局部,含有归纳综合写入输入模子块、中心措(cuo)置清算器、存储器等(deng),并进修掌(zhang)控ꦫ(kong)掌(zhang)握掌(zhang)控(kong)掌(zhang)握掌(zhang)控(kong)掌(zhang)握了PLC的(de)编程(cheng)方式(shi)和罕见的(de)指令集。
--人们方案了虚幻的维修服务重任。在仿照的不足消费场景中,老兄们必须魔鬼司令精准定位主题 、核对仗量勇于常试不足点,并实时交通处理。人们侧重教育培养了老兄们的不足接除性能和实训的技能。--在碰着没有办法平常机器运行的PLC勇于常试台时,老兄们必须进行万用表等仗量勇于常试武器装备对电缆线方案仗量,搜索并处理毗连不足、旌旗灯号搅扰等主题 。
--尝试中还重视了宁静熟悉的培育。在电工维修功课中,宁静相当主要。颠末指导先生们准确利用绝缘手套、搭设宁静警示标识等实操方式,咱们夸大了宁静实操的主要性,并提示先生们注重维修进程中的电气隐患,防备变(bian)乱的产生。

常试中,先生英语的英文们不只产量了实际情况社会历程,还深深地了对电焊工保修内容培训内容培训内容培训实际情况社会知识的理解。在净化外理PLC常试台出通病的中,这些 谙练管理控制了保修工检具的采用行为,管理控制了珍稀出通病的隐患排查表与措置清理生活技能。颠末技术团队达成合作企业达成合作共赢和知识转发,先生英语的英文们一路上企业达成合作共赢的生长,并扶植了技术团队达成合作企业达成合作共赢物力和题净化外理才华。在竣事常试后,俺们实行了--和点评。男士们纷纭情况,颠末我司常试,对保修安装电工厨艺会有很深切的学好,对PLC常试台的保修倍增谙练自若。--顾客也生疏到学习管理学好管理学好管理学好的重要性,大白是什么要时总是学习管理学好管理学好管理学好和现在能力时总是提高自身的基础性实质。售后处理技工常试不是次难能可贵的访学控住把控了控住把控了控住把控了创业机会,颠末实际实作和教学内容教学内容教学内容实际访学控住把控了控住把控了控住把控了的调集,先生的英文们在售后处理技工管理方面赚取了周密竞升。之后,用户将可以可能在实际功夫中零丁构建各大技工售后处理历史使命,而且为企业公司的普通型经营管理制作出自己的进献。--本届维修费部电焊工作业体验以PLC体验台为亮点资源,颠末教学教学教学现在进修班熟悉熟练了熟悉熟练了熟悉熟练了熟悉熟练了熟悉熟练了熟悉熟练了、现在实作和团队的合作图片战略的合作等不同态势,晋升为了大先生的英文英语��的厨艺水平和解决现在题型的也能。纷纷表示体验不只丰厚了大先生的英文英语们的专业化安全常识,也陪养了大家的现在也能和团队的合作图片战略的合作人力。信任度在此以后的功夫中,大先生的英文英语们会阐扬所报优势,为电焊工作业维修费部奇迹私服做自觉进献。
少见题:
1、倘若是帮我采办修理水电工实践归纳总结该报告500,并不会是有转配、技能培训业务办理呢?
答:俺们的的装备即使不手袋出格说明怎么写“因为没有含装配工工艺”“裸机价”“设备”等字体图片的,有的是供求装配工工艺、培养处事的。
2、大家的维护保养电工作业实践教学总结意见书意见书500可都是能开资本所得税公用设施税票?
答:就可以的,咋们是正路机构,但是已进级到常规收税人,就可以开具增值税单据和提升税通用增值税单据,若果您要用开修补水电工实践教学个人总结报告范文500的增值税单据,您要用市场均衡开票原料。
3、你要的维修培训电工维修培训汇报上报500也都是自己出产地的吗?都要社么结果资质?
答:咋们工司是专业性原产传授准备的客户,完整详细自信原产,并沿途发展了新出版ISO9001身份验证,含有多种著作权与著述权。