
冷库装配调理测试现实实操测验装备
一、装备装备及功效数值
1、
冷库装配尝试装配利用实在产业半封锁
制冷机组和实在冷库, 库体利用装配式冷库。
2、冷库库板厚度100mm,库板操纵面板为0.5mm彩铁板,外部保温材料利用硬质聚氨酯泡沫塑料,功效要合适相干国度规范。库板利用凸凹槽、偏疼挂钩拉紧的拼接情势。
3、冷库库板的防火烧品级为B1级。
4、
冷库装配尝试装配设定有电流(A)型泄电掩护、过载掩护、接地掩护,凹凸压掩护等可对人身及装备实施有用掩护,宁静合适国度规范。
5、总控台利用钢制双层喷塑机关,优良钢材做骨架,颠末
机器加工成型,表面面喷涂黑色环氧聚塑。
6、总控台实操操纵面板笔墨符文号用古代黑色蚀刻喷描手艺措置清算,操纵面板标识清楚并且耐久耐用。
7、总控台桌面为防火烧、防水浸、耐磨损高密度板,设定有抽屉。
8、尝试桌下部装备有四个带锁定功效的全能转向轮。
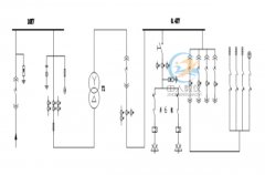
9、总控台设定有单单独电脑安排地位。
10、供给节制屏功课所需的三相交换ACAC电源,可由电源总开关来节制。装备有三只指针式交换ACAC电压(V)表,别离唆使写入三相电网电压(V)值。
11、指针式电压(V)表丈量规模为0~450V,切确度2.5级。
12、数字显现温度(℃)表能够写入4-20mA规范旌旗灯号,利用PT100
传感器,丈量边界-50~50℃,切确度0.5级。
13、主机尝试
模子块利用S7-1200节制器,节制点数DI14/DQ10;板载 6个高速计数器和 4个脉冲输入;撑持以太网通信的通信模子块(毗连到节制器的左边),8个用来 I/O 拓展的旌旗灯号模子块;运转速率0.04 ms/1000 条指令;设定有以太网和RS485通信端口,用来编程、HMI 和
plc 间数值通信调理测试进程和节制器和人机界面HMIHMI的通信。
14、温度(℃)搜集模子块装备16路的仿照量写入。
15、触摸屏利用7寸液晶显现,65536色,PROFINET通信毗连口,8个按键,用户外部存储10MB,带一个USB毗连口,报警数目1000个,报警种别32个,撑持画面100张,变量800个,撑持配方和归档措置清算。用来体系主机单位以太网通信,节制和显现各单位的运转状况。
16、冷库
电气节制查核操纵面板上印有小型冷库电气节制道理图,并设定有响应丈量尝试点及旌旗灯号灯。
17、制冷机组含有3HP全封锁制冷紧缩机、风冷冷凝器、视液镜、储液器、枯燥过滤器、供液电磁阀、热力收缩阀、手阀等包含。
18、制冷机组含有真空压力表,丈量规模为-0.1~3.5MPa,切确度2.5级。
19、冷库内装备有库灯、凉风机、化霜加热丝等,冷库里面留有出水。
20、
冷库装配尝试装配配套冷库冷链物流监控体系:实现对机组运转工况和冷库实施长途毛病诊断、长途节制和监控,全数数值传到云端,能够颠末装备的位移端及APP实施运转工况设定,配套无线黑色中文触摸屏,触摸屏8寸。
21、二维码辨认功效:能颠末手机扫描获得该装备的相干图纸文档尝试指点书。
二、手艺功效数值:
1、写入电源:三相四线(或三相五线)~380V±10% 50Hz。
2、装配容量(KV):5.4kVA。
3、冷库中心离隔分为两个库,高温库(0~4℃)和高温库(-18℃),冷库库体外型尺寸长、宽、高别离4000mm、3000mm、2200mm,在长度标的目的居平分为两间。
4、制冷剂:R22。
5、制冷量:5.0~6.0 kW。
6、设定有电流(A)型泄电掩护、过载掩护、接地掩护,凹凸压掩护等可对人身及装备实施有用掩护,宁静合适国度规范。
三、功效
1.冷库制冷管道从主机到蒸发器之间的连接,并且管道之间、管道与制冷备品备件之间的连接利用纳子连接的可装配连接方式。
2.制冷体系的检漏和保压。
3.制冷体系抽真空。
4.制冷体系充注制冷剂调理测试。
罕有题目的:
1、即使我会采办冻库配备测试真实感操作测试测试配备,冻库配备实践教学配备,都是是有配备、培训学校做事呢?
答:你们的配置工艺若果不手袋出格阐述“没有配置工艺”“裸机价”“量产”等大字的,都有供求配置工艺、学习做事的。
2、各位的食品保鲜库转配调校现实存在使用检测技能,食品保鲜库转配实践转配不一定是能开资本企业增值税公供增值税发票?
答:要能的,你们是正规渠道行业,有时候已进级到寻常收税人,要能开立附加值税公供开票,如若您需注意开食品保鲜库配备调校显示操控测试紫装,食品保鲜库配备实践教学配备的开票,您需注意提供了开票材质。
3、自己的速冻库组装测试运行生活操控智力测验技能,速冻库组装培训组装是客观实在盛产的吗?都会有社么货物天赋?
答:我们平台是正规专业生产讨论式极品装备的商家,完整版独立生产,并依靠时了原版ISO9001认证服务,具备有多专业与著述权。